您的位置:主页贴片PTC
2920封装   PTC    LP-SM

2920封装 PTC LP-SM

  • 型号:LP-SM系列
  • 类别:贴片PTC
  • 封装:smd


客服热线:13728402719

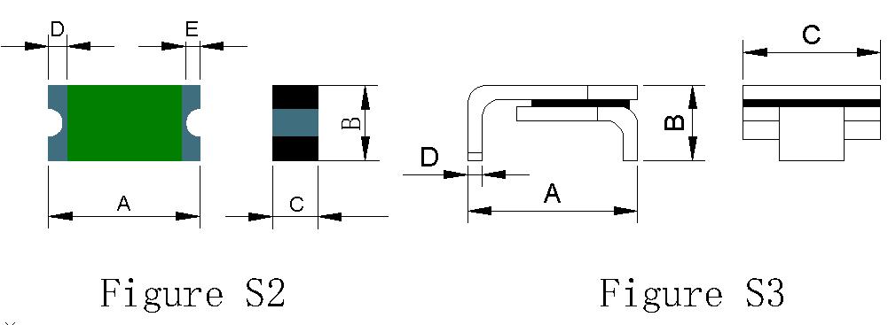
产品尺寸:

产品性能参数

环境温度电流锐减表:



展开

QQ在线客服

网页咨询
乐鱼手机版-乐鱼leyu(中国) 亚娱体育app官网(中国)有限公司 leyu.乐鱼(中国)官方网站 ky体育(中国)官方网站 G22恒峰-官方网站 恒峰g22登录入口官网 BG视讯·(中国区)官方网站 KU游体育(中国)有限公司官网 酷游九州·(中国)首页登录入口