您的位置:主页电池过流保护片PTC
带状PTC    电池过流片

带状PTC 电池过流片

  • 型号:LN系列
  • 类别:电池过流保护片PTC
  • 封装:daizi


客服热线:13728402719

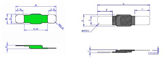
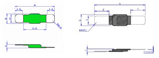
产品尺寸:



产品环境温度锐减:

产品电性能参数:



IH:25℃静止空气中不触发自复保险丝PTC电阻突变的最大电流.

IT: 25℃静止空气中自复保险丝PTC从低阻转为高阻的最低电流.

Vmax: 自复保险丝PTC能承受的最大工作电压

Imax: 自复保险丝PTC在最大电压下所能承受的最大电流.

PDtyp: 在25℃静止空气环境下,PTC动作后的功率损耗总值

Rmin:  在25℃静止空气环境下,PTC动作之前的最小电阻值。

Rmax: 在25℃静止空气环境下,PTC动作之前的最大电阻值。

R1max:在25℃静止空气环境下,PTC动作之前的最大焊接电阻值。



展开

QQ在线客服

网页咨询
乐鱼手机版-乐鱼leyu(中国) 亚娱体育app官网(中国)有限公司 leyu.乐鱼(中国)官方网站 ky体育(中国)官方网站 G22恒峰-官方网站 恒峰g22登录入口官网 BG视讯·(中国区)官方网站 KU游体育(中国)有限公司官网 酷游九州·(中国)首页登录入口